高品質生活少不了
擁有一個舒適的家。
一個舒適家需要精心布置裝飾,
更需要每一處都
充滿恰到好處的舒適感,
看不見,卻時時感受得到。
對于豪宅別墅來說,空氣能地暖空調是標配,豪宅別墅業主高度認可它的舒適健康。隨著消費升級及節能環保理念推進,越來越多的人注重高品質的環保健康生活。
家里有這樣一個像空氣能地暖空調一樣兼顧冷暖、高效節能、健康舒適的摯友相伴,既是高品質生活必不可少的,也是一種福氣。近期,湖南永州又一豪宅四合院業主唐總選用生能空氣能地暖空調并感到非常滿意。
在南方,用戶對空氣能地暖空調的品牌認知和施工要求更勝一籌。唐總的豪宅四合院寬敞大氣、有庭有院,古典中透著現代,低調中帶著華麗。唐總選用生能,也是對生能空氣能地暖空調品質和專業設計安裝團隊的信任和認可。

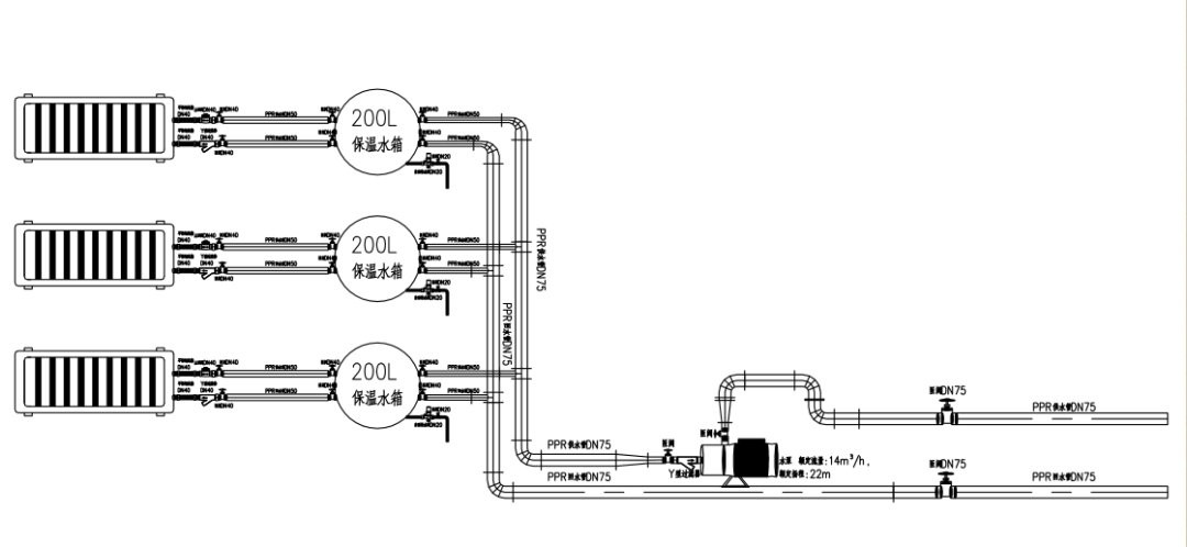
生能空氣能地暖空調專業設計安裝團隊根據唐總家的居住使用情況,為其客廳、茶廳、禮堂、主堂、餐廳、廚房、會客廳、臥室等約360平方米的冷暖面積選配了2臺20千瓦的生能空氣能地暖空調機組,并根據客戶需求采用了16個風機盤管,將地面全部鋪設地暖,同時完全根據標準化進行安裝,讓唐總一家人在每一處都感受生能溫度帶來的舒適。

生能空氣能地暖空調,采用的是“水”系統中央空調,一個系統暢享中央空調+地暖,夏季以冷水為媒介在風機盤管循環,送風柔和不干燥,且溫度穩定,避免空調病;冬季以熱水為媒介在管道中循環,通過地板輻射供暖,符合足暖頂涼的中醫健康原理,溫暖又更健康。

唐總家所裝的這款生能空氣能地暖空調機組制冷制熱都是一級能效,壓縮機和風機雙直流變頻,且使用環保R410A冷媒,機組運行管理由微電腦自動完成,機組各項保護功能齊全,噪聲源周圍均添加波峰吸音棉以消除整機噪音。同時系統能自動除霜,可手機智能控制,在惡劣環境下也照樣穩定運行等。

生能空氣能地暖空調專業設計安裝團隊
結合唐總家居住使用情況,
對兩臺生能冷暖兩聯供機組進行
并聯系統和二次循環系統設計安裝,
加強運行穩定,讓運行更加節能,
且延長主機使用壽命。
所謂并聯系統就是兩臺主機并聯在一起的系統,共用一套管路,可節省安裝成本,同時在運行過程中,機組會自動根據室內使用需求調節主機輸出功率。例如:當室內供暖制冷需求大,系統自動將兩臺主機同時開啟運行;當室內供暖制冷需求變小(例如晚上睡覺只需開啟臥室),系統僅開啟其中一臺主機,減少運行成本。
另外,當室內只需一臺機組運行就可滿足需求時,兩臺主機也會自動輪流切換使用其中一臺機組,這樣可有效延長主機使用壽命。

所謂二次系統就是將空氣能地暖空調系統一分為二,主機到水箱之間配一個水泵,水箱到末端之間配一個水泵。由于主機到水箱之間管路很短,阻力很小、而且沒有任何的流量壓差變化,因此可以配一個很小的定頻泵,這樣就可以把主機的水泵能耗降到最低。同時考慮到末端流量壓差頻繁變化,水箱到末端之間再配一個變頻泵,這樣就可以把末端水泵能耗大幅降低。

在一次系統中,整個系統只有一個水泵,所以水泵揚程只能按照最不利環路來配,往往要配很大。末端只開一個和全開,水泵能耗都是一樣的。而我們家庭住宅中,末端全開的概率是很小的,也就是說:水泵絕大數時間都是存在浪費的。而且一次泵必須要有主機來控制,這個水泵在整個供暖季和制冷季、基本是不停的,即使壓縮機停了、水泵都不會停,如此一來浪費更嚴重。

生能為唐總家空氣能地暖空調安裝采用二次系統,不僅大大降低運行能耗,還可以讓整個系統更穩定,降低噪音,便于維修等。

不管是炎炎夏日,
還是寒冷冬日,
總有生能守護您,
讓您舒適每一天。
生能以優質的品質
加專業設計安裝,
讓您妥妥的放心。





















